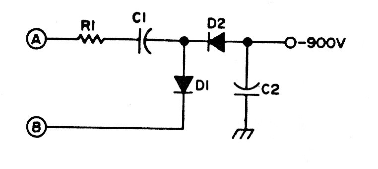
This circuit can provide a voltage of up to 900 V depending on the input voltage. The diodes must have at least 1000 V peak reverse voltage. The capacitors are at least 1 000 V working voltage with 1 to 100 uF and the resistor is 100 ohms x 10 W.
This circuit can provide a voltage of up to 900 V depending on the input voltage. The diodes must have at least 1000 V peak reverse voltage. The capacitors are at least 1 000 V working voltage with 1 to 100 uF and the resistor is 100 ohms x 10 W.