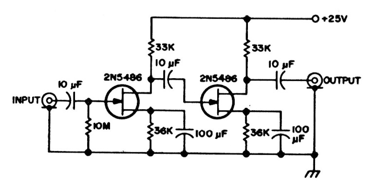
The FETs of this circuit can be the BF245. The circuit is from an old documentation and can be used in the amplification of infrasonic waves, of a sonic attack, for example.
We found this circuit in a 1977 radio documentation. The circuit uses TTL frequency dividers from...
In figure we have a three-phase AC motor control for voltages up to 600 V or 1200 V depending on...
The oscillator shown in the figure can generate signals up to 500 kHz and has good stability. Coil...