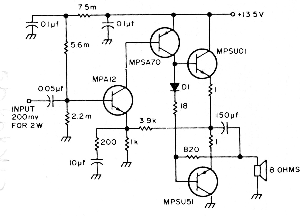
This circuit is from Motorola documentation from the 70s. The transistors support modern equivalents with the pair TIP31 and 32 for the output or even BD135 and BD136. The other transistors can be general-purpose.
This circuit is from Motorola documentation from the 70s. The transistors support modern equivalents with the pair TIP31 and 32 for the output or even BD135 and BD136. The other transistors can be general-purpose.