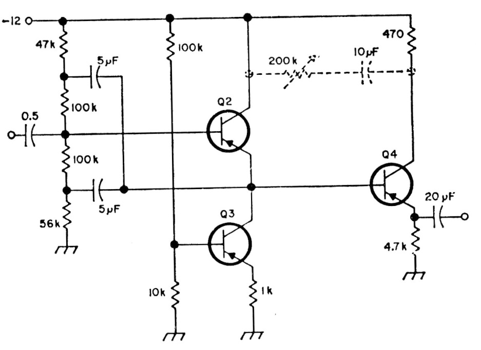
This circuit consists of an improved version of the previous circuit having an additional transistor to serve as a buffer and thus avoiding the load on the output. The circuit is from American documentation from the 80s.
This circuit consists of an improved version of the previous circuit having an additional transistor to serve as a buffer and thus avoiding the load on the output. The circuit is from American documentation from the 80s.