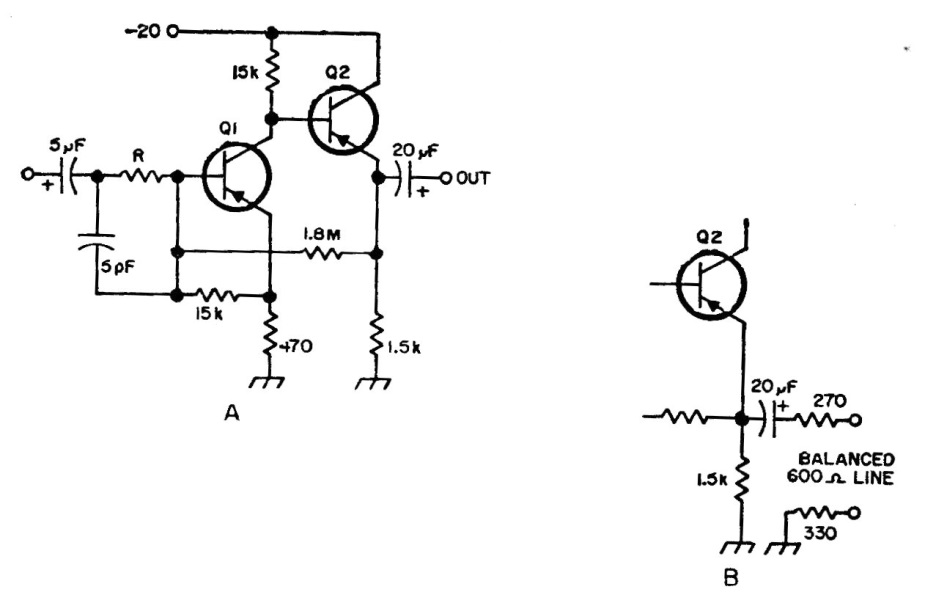
In the figure we have the original version of an amplifier with high input impedance, 1.2 M ohms. and change to snoring rejection at the exit. The circuit can use general purpose PNP transistors and with the inversion of the supply, also NPN transistors.




