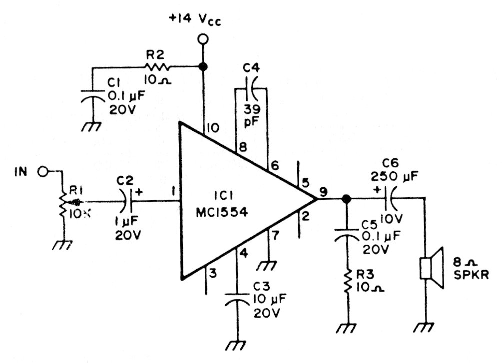
This is an amplifier from the 70s. The integrated circuit used is uncommon today and the power supplied is not the greatest. The circuit is from Motorola.
We found this circuit in a 1977 radio documentation. The circuit uses TTL frequency dividers from...
In figure we have a three-phase AC motor control for voltages up to 600 V or 1200 V depending on...
The oscillator shown in the figure can generate signals up to 500 kHz and has good stability. Coil...