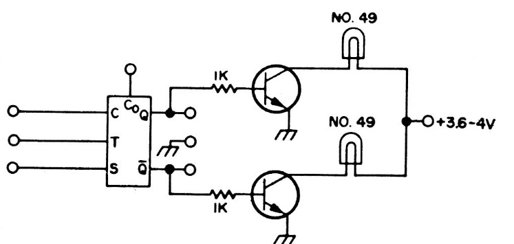
This old circuit excites lamps but can be modified to excite high-power LEDs or other loads depending on the transistor used. The power of the power stage can also be changed allowing the use of the circuit as a shield.
This old circuit excites lamps but can be modified to excite high-power LEDs or other loads depending on the transistor used. The power of the power stage can also be changed allowing the use of the circuit as a shield.