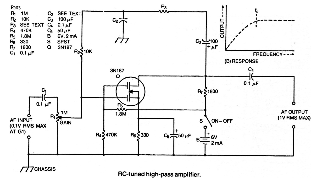
This circuit was found in an American documentation two years 80. The MOSFET is of double port, difficult to obtain now and the circuit has a tuning frequency determined by RC.
This circuit triggers an alarm when the mains power is cut off. The circuit was found in the July...
This acutely tuned circuit was found in American documentation from the 1960s. The transistors are germanium...
This small AM transmitter was found in American documentation from the 1980s. Transistor support...