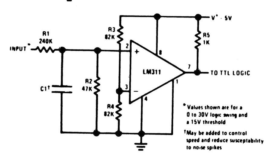
This TTL shield with high level logic is from the LM111's own 80's manual. The integrated circuit is no longer easily found, but the circuit can be adapted to use modern equivalent operational amplifiers.
This circuit triggers an alarm when the mains power is cut off. The circuit was found in the July...
This acutely tuned circuit was found in American documentation from the 1960s. The transistors are germanium...
This small AM transmitter was found in American documentation from the 1980s. Transistor support...