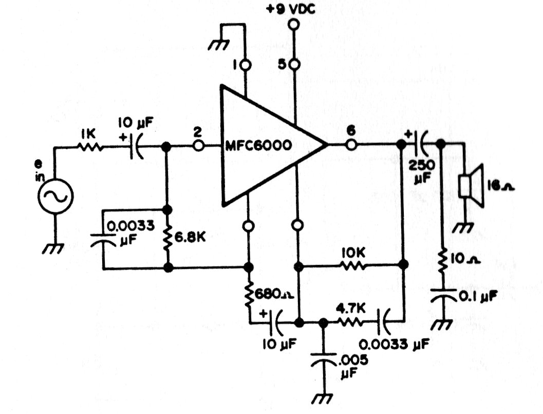
This small audio amplifier was found in an American publication in 1975, The integrated circuit used is rare today. The circuit was used in portable receivers of the time and other applications.
The presented circuit has compensation for cold junction. In addition to a voltage reference, it...
This circuit, from a 1976 documentation, uses a low power MOSFET that is difficult to obtain, but...
This circuit, with a few meters of range, can function as a wireless microphone or transmitter for media with...