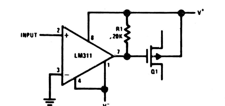
This circuit is from the 80's integrated circuit manual itself. The component is not as common today as the MOS transistor used. The circuit can be adapted for modern applications.
The circuit shown with the LM3914 was found in the March 1992 issue of Radio Electronics magazine. The...
This circuit was obtained from an English magazine from 1976. The circuit activates a sensitive relay...
The 8038 integrated circuit consists of a function generator with outputs of three waveforms. It...