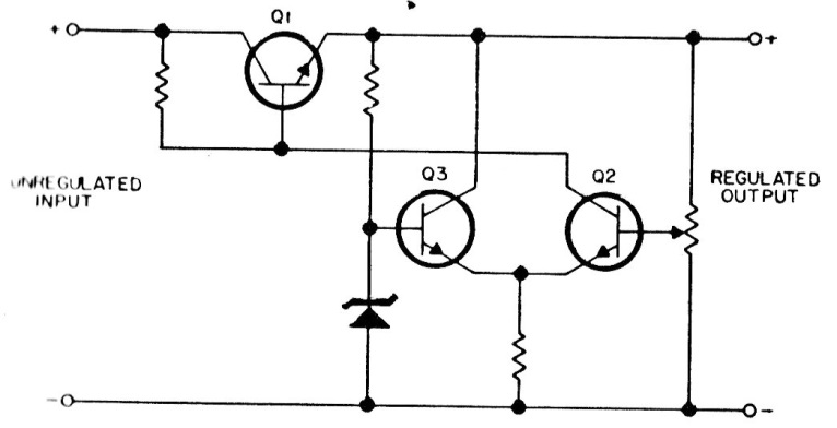
In the figure we have the configuration of a voltage regulator with 3 transistors. The components depend on the desired voltage and current as well as on the characteristics of the transistors.
The circuit shown with the LM3914 was found in the March 1992 issue of Radio Electronics magazine. The...
This circuit was obtained from an English magazine from 1976. The circuit activates a sensitive relay...
The 8038 integrated circuit consists of a function generator with outputs of three waveforms. It...