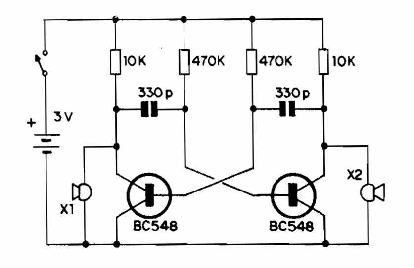
The transducer of this circuit is a small ceramic capsule or crystal earpiece and the frequency given by the capacitors. These components can be changed according to the frequency of the desired sound. The circuit works with higher voltages up to about 12 V.




