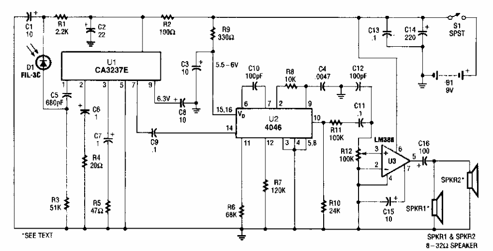
This circuit is from a Popular Electronics from the 90's. The audio amplifier admits equivalent. The others integrated are not very common today.
We found this circuit in a 1977 radio documentation. The circuit uses TTL frequency dividers from...
In figure we have a three-phase AC motor control for voltages up to 600 V or 1200 V depending on...
The oscillator shown in the figure can generate signals up to 500 kHz and has good stability. Coil...