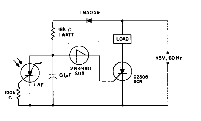
This circuit uses a photo-SCR or LASCR that is not a common component today. The relay depends on the load, and the power is supplied by the power grid.
This sole beacon which has a battery charged by photocells was found in documentation from 1991....
The supply voltage of this circuit can be between 4 and 20 W. The power depends on the voltage and the...
This 555 IC circuit was found in the November 1994 issue of Radio Electronics magazine. The...