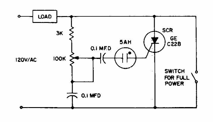
The trigger element of this circuit is a neon lamp. The SCR admits an equivalent. We found it in an American documentation from the 80s.
This type of circuit appears in several versions and approaches on this website. This was found in a...
This circuit is from a Popular Electronics from the 90s. The circuit requires extreme care in use, as...
This circuit doubles the pulse rate produced by a digital TTL circuit. The circuit is from a 1976...