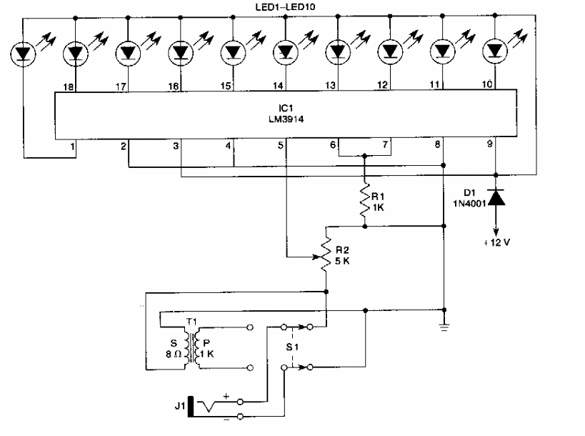
Found in Electronics Now this circuit is indicated for operation at the output of audio amplifiers. The circuit is powered by 12 V from the amplifier itself or from another source.
This circuit was suggested by the 101 Electronics Circuits of 1979, but it is still current if we...
January 2017 - The new Honeywell RSC TruStability ™ pressure sensor mounting board is available from...
This circuit changes the dynamic range of an audio signal. The integrated circuit used in this...