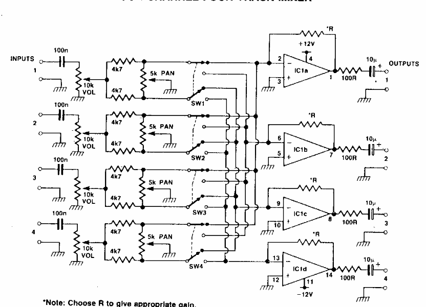
This elaborate mixer is from an Electronics Today International from the 80s. Operational amplifiers are common and resistors with no value determine the gain of the amplification steps.
Found in American documentation from the 1970s, this circuit is intended for amplifying analog TV...
Photoelectric cells can be used as sensitive light sensors. However, the low voltage they generate...
This circuit was found in a 90s American documentation. The circuit uses still common components...