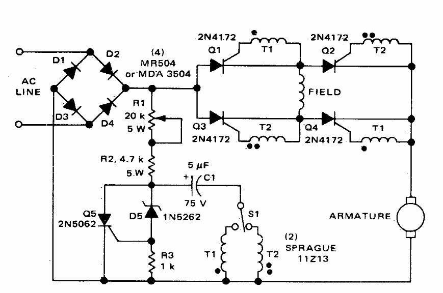
This circuit from a 1970s General Electric publication applies to motors of the series winding type. SCRs support current equivalents and must be equipped with heat sinks.
Found in a 1980s documentation, this amplifier uses an operational aplifier of the time with two...
The tone control in the figure below can be implemented with almost any operational amplifier. The power...
I found this circuit on a December 1976 Radio Elettronica. The Italian magazine no longer exists, but...