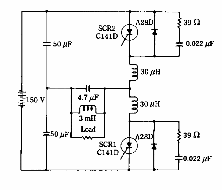
This circuit was obtained from an American documentation from the 90's. Inductors are critical components of the circuit. The output is 120 V sinusoidal.
When S1 is pressed, the circuit allows music to be played from an audio source on the telephone line....
This circuit was found in an Experimenters Handbook of the 1990s. The purpose of this circuit is to...
The action of this circuit, found in a 1977 amateur radio documentation, is like to a delay line....