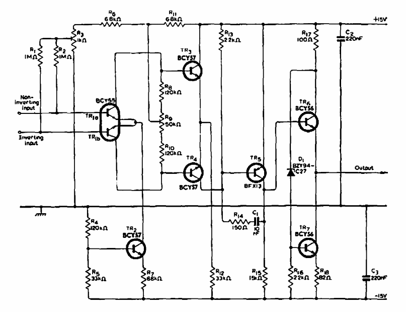
Suggested by Philips documentation from 1968, this circuit uses components from the era that can be replaced by modern equivalent types. The double transistor can be replaced by a matched pair.
We find this circuit in an American 1980s documentation. Integrated circuits are uncommon today as...
Found in a 90's EDN this circuit can be used as a shield. The transistor is a general-purpose type and the...
We found this circuit in a 70s publication. Transistors are general-purpose types of the time. The...