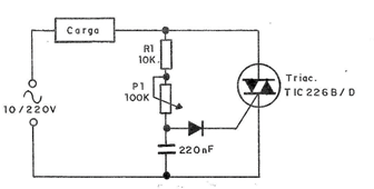
The circuit that we will see below uses an element of the semiconductor family that is not yet known to readers who are reading this book in sequence. This is Diac, which will be covered in detail in the next item. We can say that the diac improves the triac's tripping characteristics, producing the high current pulses it needs for a tripping with a voltage higher than the normal 2 V. The component formed by a diac and triac in the same casing receives the suggestive name of "quadrac". The circuit of our power control that can adjust the brightness of lamps up to 500 watts and the speed of motors up to 1/2 HP is shown in the figure.




