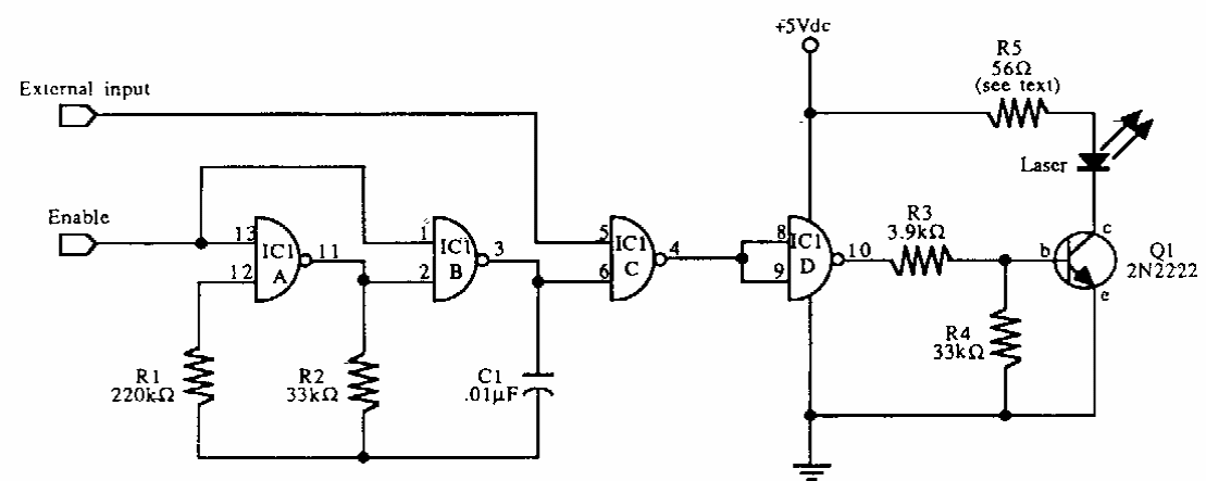
Found in an American publication from the 1980s, this circuit modulates an LED Laser for the transmission of data by optical fiber. The frequency of the oscillator is approximately 3 kHz and the integrated is a 4093.
Found in an American publication from the 1980s, this circuit modulates an LED Laser for the transmission of data by optical fiber. The frequency of the oscillator is approximately 3 kHz and the integrated is a 4093.