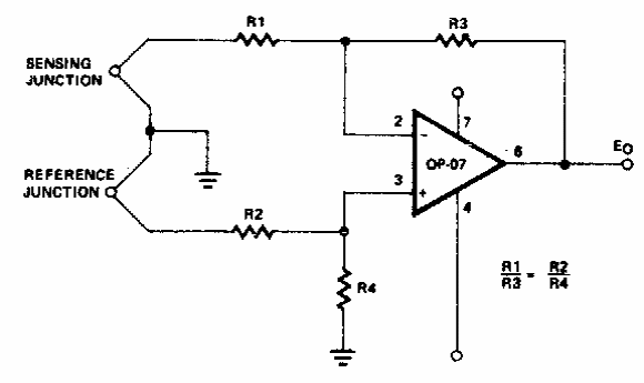
This circuit was found in an American documentation from the 90s. It can be implemented with modern operators. The power supply must be symmetrical.

This circuit was found in an American documentation from the 90s. It can be implemented with modern operators. The power supply must be symmetrical.
