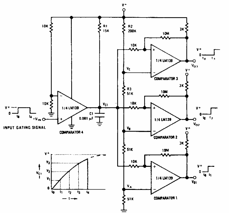
This circuit generates output pulses with sequential delays. The delays can be programmed by the values of the resistors and the capacitor. The supply voltage can typically be between 5 and 12 V.
This circuit was obtained in a 1986 documentation consisting of an active frequency divider for...
OSEPP makes available through Mouser Electronics a series of 100% Arduino compatible robotic kits. The...
We found this circuit in a 1977 National Semiconductor audio manual. The integrated circuit is the...