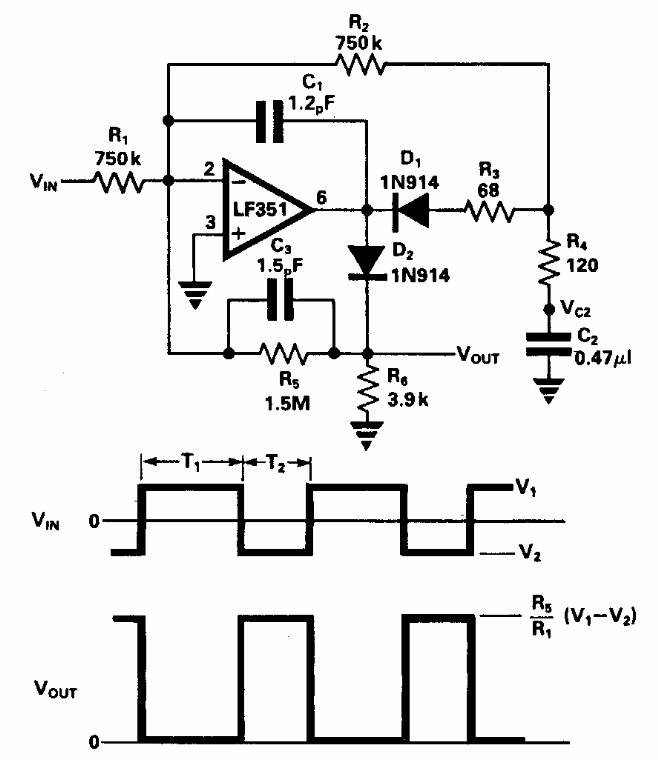
This operational clamping circuit was found in an American documentation from the 1980s. The source must be symmetrical, and the waveforms of the signals are given next to the diagram.
This circuit, which may have other applications, trips a load if the voltage on the telephone line...
This UHV generator circuit or ultra-high voltage was found in a 90s Electronic Engineering 90s. The triac...
This circuit is from an old American documentation from the 70s. Transistor 2N3904 can be replaced by...