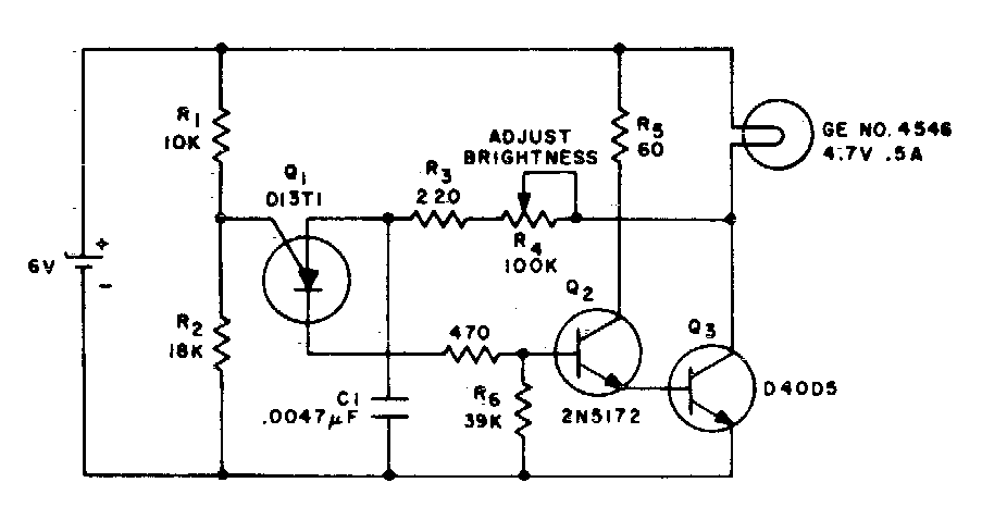
For a current of 5A and a supply of 6 V this circuit was found in documentation from the 70s. Transistors admit modern equivalents. Q1 is a PUT uncommon today.
This circuit was obtained in a 1986 documentation consisting of an active frequency divider for...
OSEPP makes available through Mouser Electronics a series of 100% Arduino compatible robotic kits. The...
We found this circuit in a 1977 National Semiconductor audio manual. The integrated circuit is the...