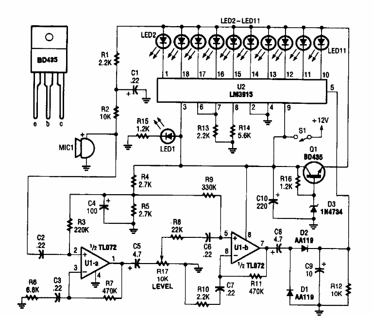
This sound meter or sonometer was found in a Popular Electronics from the 80's. The circuit can be easily implemented today, and the microphone is made of electret or ceramic.
With a boost transistor this circuit supplies currents up to 15 A. Equivalent transistors can be...
This simple nicad battery charger uses a current regulator with the LM350. This integrated circuit must be...
The amplifier shown can either excite a speaker in this low power version, or its input step can...