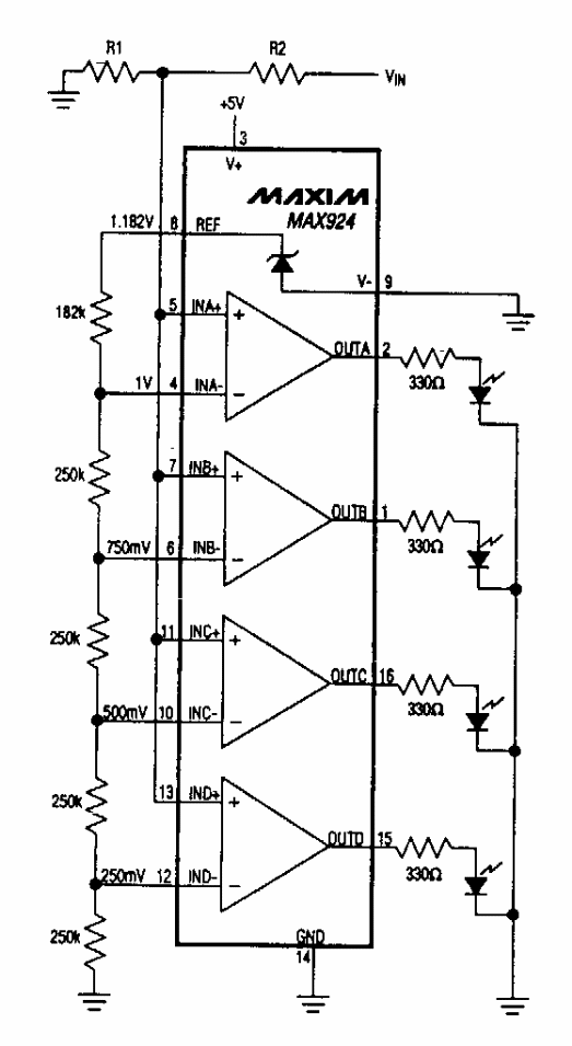
Found in a Maxim documentation, this 1980s circuit drives 4 LEDs on a bar scale. The circuit does not require a symmetrical source and the voltage reference for activation is given by R1 and R2.

Found in a Maxim documentation, this 1980s circuit drives 4 LEDs on a bar scale. The circuit does not require a symmetrical source and the voltage reference for activation is given by R1 and R2.
