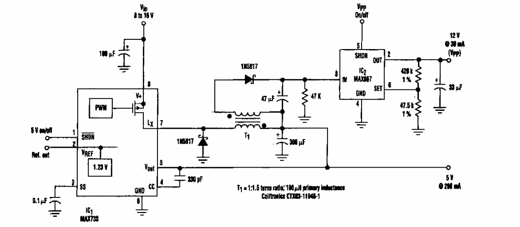
Found in an Electronic Design of the 90's, this circuit provides an additional 12 V output to a 5 V regulator. The maximum current is 200 mA.
This circuit was obtained in a 1986 documentation consisting of an active frequency divider for...
OSEPP makes available through Mouser Electronics a series of 100% Arduino compatible robotic kits. The...
We found this circuit in a 1977 National Semiconductor audio manual. The integrated circuit is the...