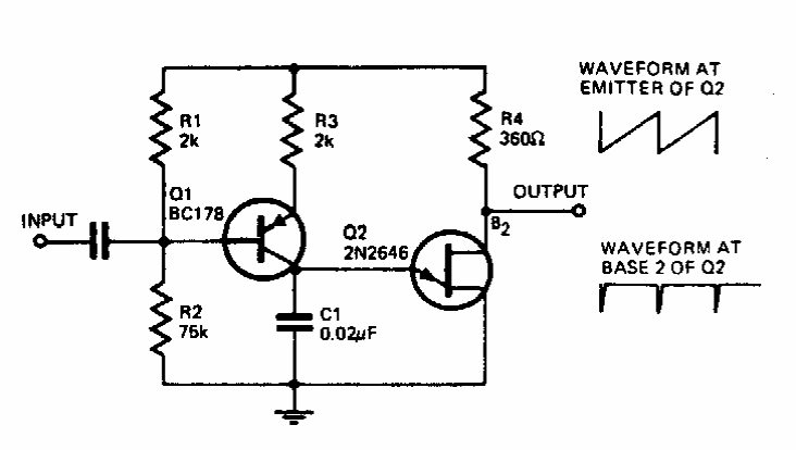
This VCO with discrete components was found documentation from the 1980s. The central frequency with the indicated components is 8 kHz. A BC548 can be used for Q1.
This circuit was obtained in a 1986 documentation consisting of an active frequency divider for...
OSEPP makes available through Mouser Electronics a series of 100% Arduino compatible robotic kits. The...
We found this circuit in a 1977 National Semiconductor audio manual. The integrated circuit is the...