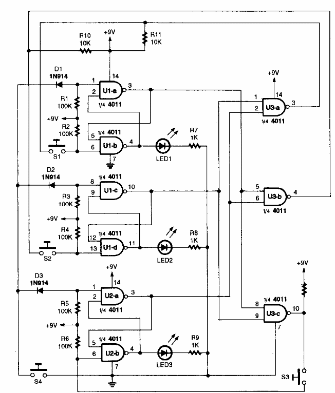
This game for 4 competitors was found in a Popular Electronics from the 80's. The circuit has CMOS technology and can be powered by voltages from 6 to 12 V.
This circuit was obtained in a 1986 documentation consisting of an active frequency divider for...
OSEPP makes available through Mouser Electronics a series of 100% Arduino compatible robotic kits. The...
We found this circuit in a 1977 National Semiconductor audio manual. The integrated circuit is the...