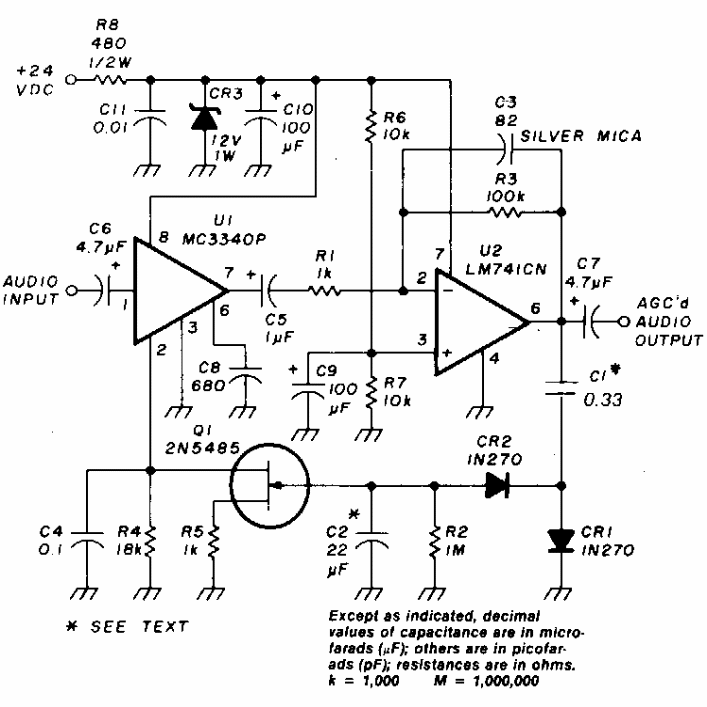
This circuit was found in an American publication called Ham Radio. The circuit uses still current components since the FET can be of any type. Observe the non-symmetrical 24 V supply voltage.
This circuit was found in an American publication called Ham Radio. The circuit uses still current components since the FET can be of any type. Observe the non-symmetrical 24 V supply voltage.