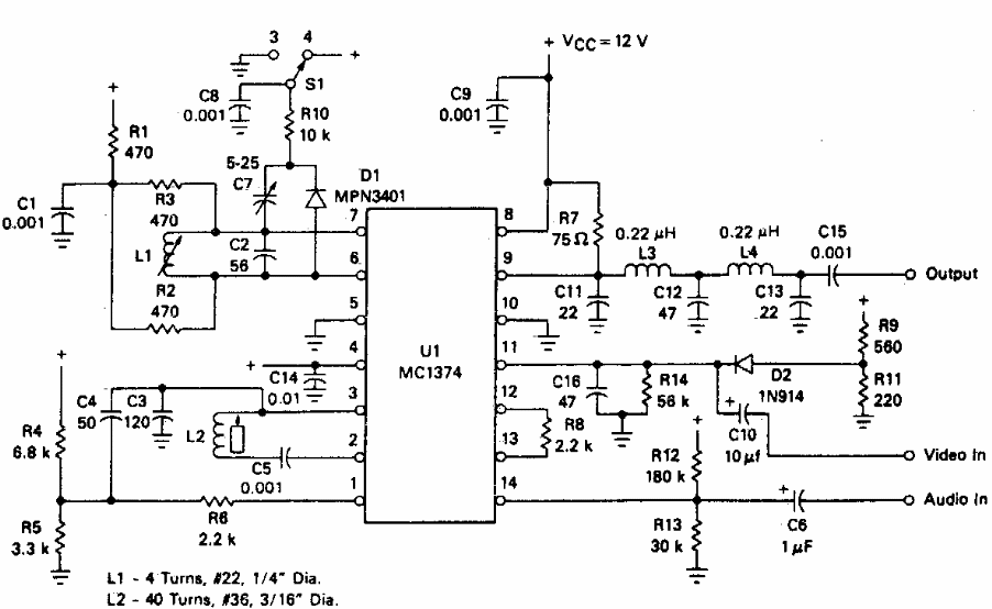
This circuit was found in a documentation of the 70s. The circuit uses an integrated that is not common today. The output frequency depends on the channel of the VHF band in which the transmission occurs.
This circuit was found in a documentation of the 70s. The circuit uses an integrated that is not common today. The output frequency depends on the channel of the VHF band in which the transmission occurs.