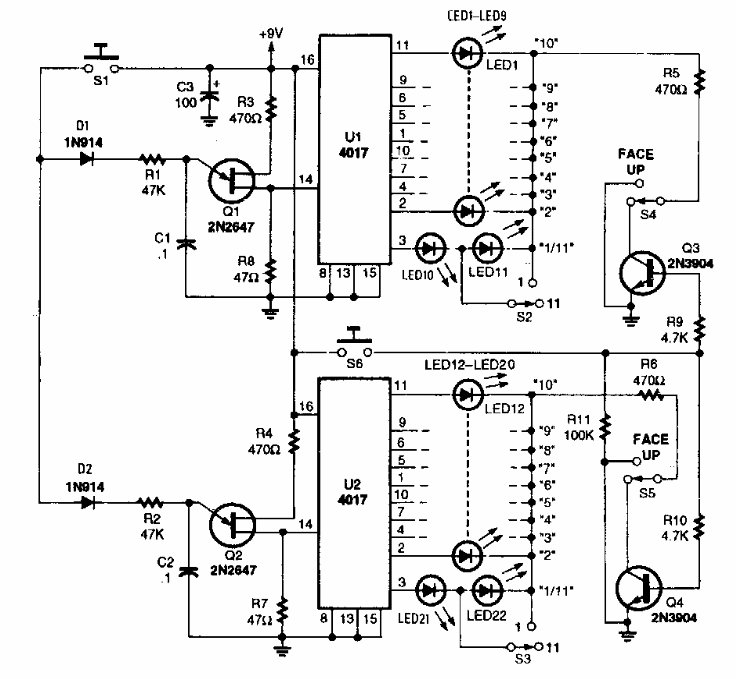
Found in a Popular Electronics from the 80's, this circuit simulates the equivalent card game. The circuit is CMOS and can be supplied with voltages from 6 to 12 V.
March 2017 - The integrated circuit division of IXYS is presented the integrated relay that makes...
This circuit is from the time when cars used contact breakers. This 80's version measures the dwell...
We found this circuit in the Radio Electronics magazine of January 1986. The frequency is given by the...