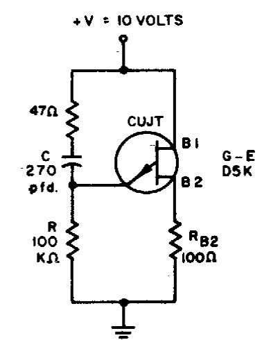
This 50 kHz oscillator makes use of a CTUJ, complementary unijunction transistor. The circuit is from the 70s and the transistor is a rare component today.

This 50 kHz oscillator makes use of a CTUJ, complementary unijunction transistor. The circuit is from the 70s and the transistor is a rare component today.
