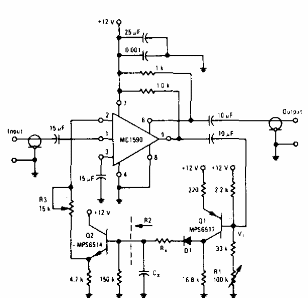
This compressor circuit was obtained in a Motorola manual from the 80's. The components are from the time, but the configuration can be adapted to use modern components. The gain is 20.

This compressor circuit was obtained in a Motorola manual from the 80's. The components are from the time, but the configuration can be adapted to use modern components. The gain is 20.
