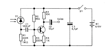
If we modulate a beam of light from an LED, for example, we can receive this beam of light at a distance and convert it back into sound. This is the basis of an optical communications system. The project that we give next is that of a receiver, which must have its output connected to the input of any good amplifier. Any photodiode can be used, and the range will depend on the intensity of the transmitted signal and the existence of optical resources, such as lenses. The fixation of the photodiode in the focus of a scope, for example, allows the extension of the range to more than 1 km in favorable conditions of visibility and at night.




