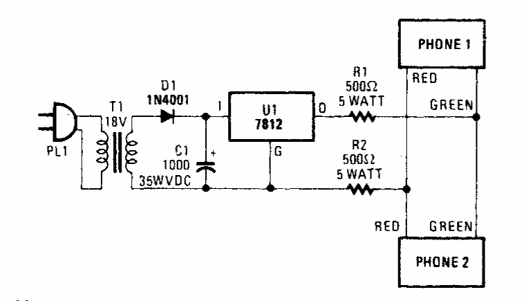
With this circuit it is possible to use a pair of old telephones in a wired communication system. The circuit is from a Popular Electronics from the 90s.
March 2017 - The integrated circuit division of IXYS is presented the integrated relay that makes...
This circuit is from the time when cars used contact breakers. This 80's version measures the dwell...
We found this circuit in the Radio Electronics magazine of January 1986. The frequency is given by the...