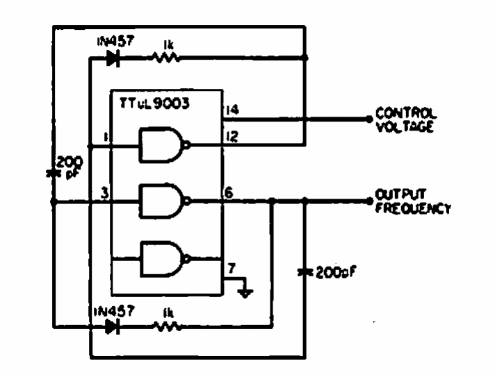
This circuit was found in a 1968 EEE. The circuit makes use of logic gates of the time and can be tested with equivalents from modern families.
The circuit shown is suggested by National Semiconductor's Linear Applications Handbook. The base...
This circuit uses a pickup coil to take the signal from a telephone line without contacts. The circuit...
In this circuit, the transistors are NPN for general use and the phototransistors can be replaced by...