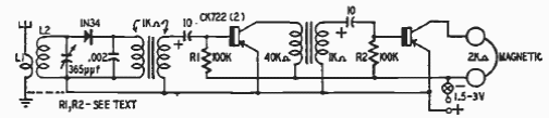
This mid-waveband receiver was found in a book on transistors from 1954. The antenna coil is of the commercial type at the time and the earpiece must be high-impedance magnetic.

This mid-waveband receiver was found in a book on transistors from 1954. The antenna coil is of the commercial type at the time and the earpiece must be high-impedance magnetic.
