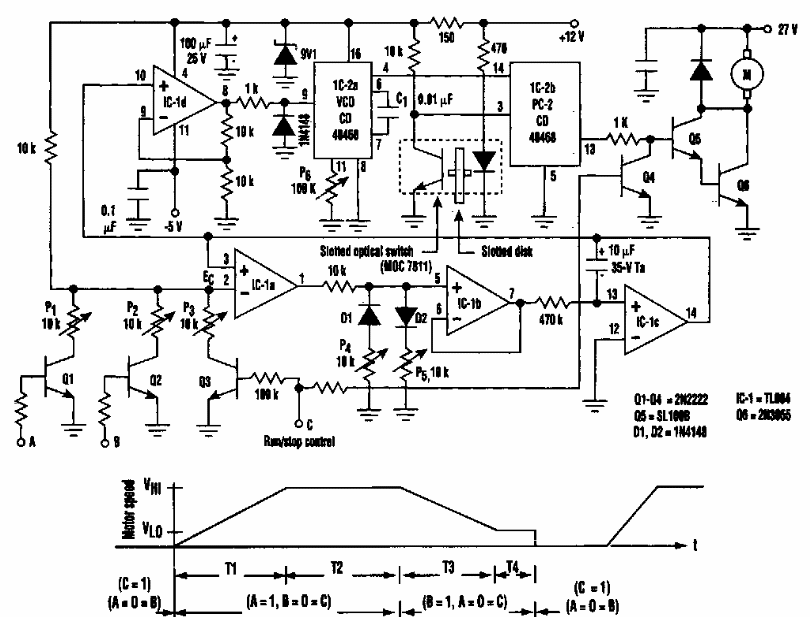
This precision speed control was obtained in an Electronic Design from the 90's. The output final stage power transistors must be in accordance with the motor power.
This Sample & Hold circuit configuration is from an American 1980s documentation. The circuit uses...
By LED flashes you can get an idea of the degree of moisture in the soil. The sensors are wires...
Found in an old Popular Electronics, the purpose of this circuit is to give a strong discharge in an...