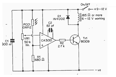
This is the version of the previous circuit with shadow activation. The circuit can use relays from 5 to 12 V and the voltage range can be the same. The circuit is from 1977.

This is the version of the previous circuit with shadow activation. The circuit can use relays from 5 to 12 V and the voltage range can be the same. The circuit is from 1977.
