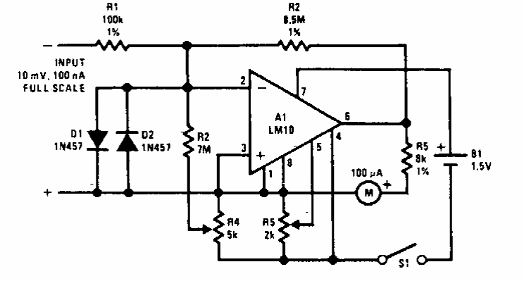
This 1.5V instrumentation amplifier was found in National Semiconductor documentation from the 1990s.
The circuit shown is suggested by National Semiconductor's Linear Applications Handbook. The base...
This circuit uses a pickup coil to take the signal from a telephone line without contacts. The circuit...
In this circuit, the transistors are NPN for general use and the phototransistors can be replaced by...