We found this circuit in a Mullard manual from 1960. The transistor is a phototransistor of the time. The gain is 3 dB.
The circuit shown is suggested by National Semiconductor's Linear Applications Handbook. The base...
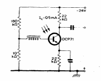
This circuit uses a pickup coil to take the signal from a telephone line without contacts. The circuit...
In this circuit, the transistors are NPN for general use and the phototransistors can be replaced by...