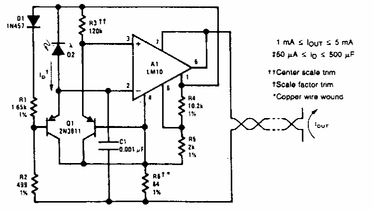
Found in a National Semiconductor manual, this circuit is intended for data transmission over a twisted pair, the signals being obtained from a photodiode.
This temperature compensated circuit was found in a 1980s American documentation. The power supply...
This circuit is an improved version of the previous ones with the LM3914. We found it in the March...
This indicator was found in a 1974 publication, but it can be fitted with the BC548 transistor or...