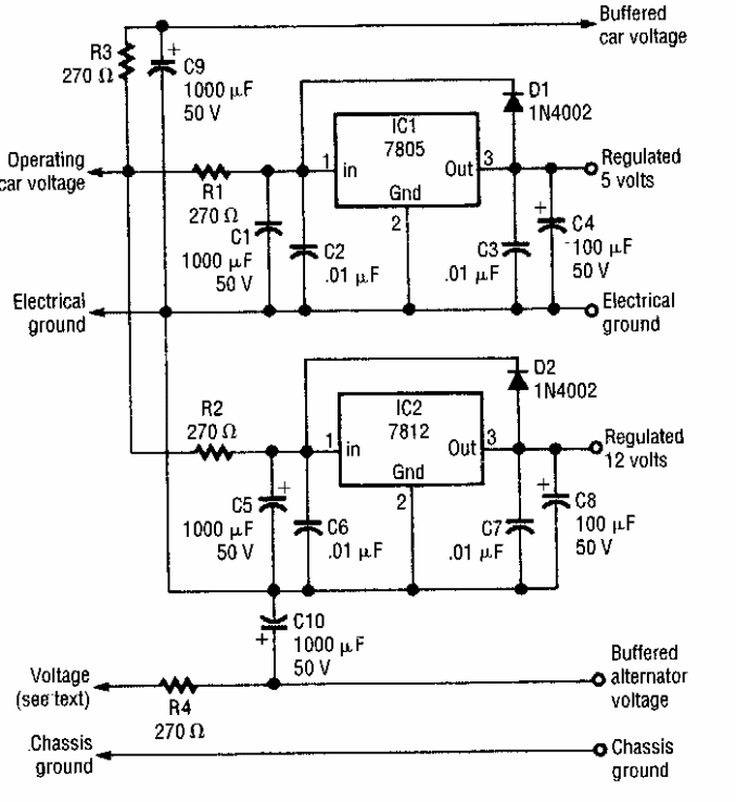
This 1 A power supply was found in an Electronics Now from the 90's. The integrated circuits must be equipped with heat sinks.
This circuit is based on the Texas Instruments LMC662 and has the function of monitoring the audio...
This circuit was obtained from an internet documentation. The LED is inverted in the original, and the...
This battery charger was found in a Popular Electronics from the 1980s. Voltage regulators must be equipped...