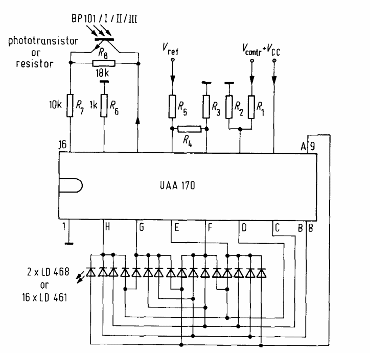
This UAA170 application circuit was taken from Siemens' own integrated circuits manual from 1976. The maximum supply voltage is 18 V.
This circuit automatically inverts the test leads connection according to the polarity of the...
With a touch of the push button the lamp is switched on. A new touch and the lamp go out, in this...
This 80's circuit uses a light-sensitive SCR or LASCR and a one-sided silicon switch SUS, uncommon...