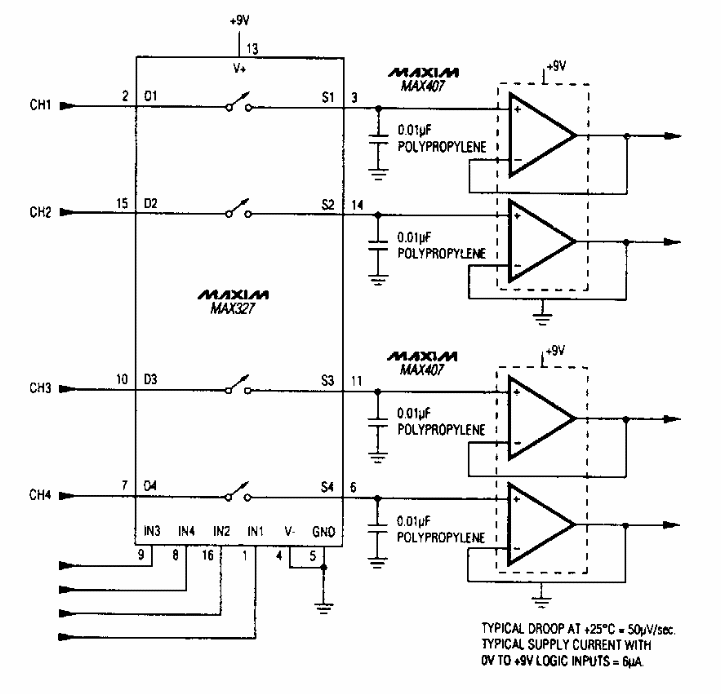
We found this circuit in a Maxim documentation from the 90s. The 4-channel circuit uses a component of the time and has a supply current of only 6 uA.
The circuits shown below consist of diode protections against accidental polarity reversal in the supply...
This FM transmitter was described in the Radio Electronics magazine of June 1963. It operates in...
The current can be kept constant in the load circuit using the integrated regulator LM350. The...