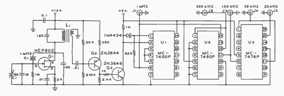
We found this circuit in a 1977 radio documentation. The circuit uses TTL frequency dividers from the time.
It is like to the previous circuit with a lock that keeps the LED on at the end of the timer. The...
The presented circuit generates a signal in the form of a ladder that can be useful for surveying the...
This 2005 Linear Technology circuit has separate outputs for monitoring the charge and discharge...